Qorvo的QPF4216是为Wi-Fi 802.11ax系统设计的集成前端模块(FEM)。紧凑的外形和集成匹配最大限度地减少了应用程序中的布局面积。
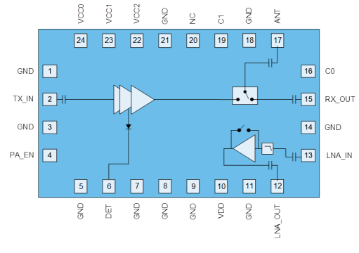
性能侧重于优化5V电源电压的PA,在保持最高线性输出功率和前沿吞吐量的同时节省功耗。接收路径与最佳技术相匹配,通过在更广泛的条件下保持一致的噪声系数性能,最大限度地提高Rx灵敏度。接收路径被固定,因此可以在最佳位置添加外部滤波。包括用于二次和三次谐波的集成管芯级滤波以及用于DBDC操作的5 GHz抑制。

一个关键特征是集成了对数功率检测器,该检测器能够在整个功率谱上进行功率控制,适用于使用更高增益天线的应用或希望减少生产中设备校准时间的最终用户。QPF4216将2.4 GHz功率放大器(PA)、稳压器、单极双掷开关(SP2T)、可旁路低噪声放大器(LNA)集成到单个设备中。
特性
•POUT=+22 dBm MCS11 HE40-43 dB动态EVM
•POUT=+24 dBm MCS9 VHT40-35 dB动态EVM
•POUT=+25 dBm MCS7 HT20/40-30 dB动态EVM
•POUT=+26 dBm MCS0 HT20频谱掩模合规性
•针对+5 V操作进行了优化
•32 dB Tx增益
•1.8 dB噪声系数
•15.5 dB Rx增益和7 dB旁路损耗
•Rx路径上的15 dB 5 GHz抑制
•集成准对数功率检测器
应用
•接入点
•无线路由器
•住宅网关
•客户驻地设备
•物联网
功能框图
