LT3045是一款高性能低压差线性稳压器,采用LTC的超低噪声和超高PSRR架构以便为噪声敏感应用供电。LT3045设计用作后接高性能电压缓冲器的精密电流基准电压源,可轻松并联以便进一步降低噪声,增加输出电流并在PCB上散热。
该器件在260mV典型压差下提供500mA电流。工作静态电流标称为2.2mA,关断时降至<<1µA。LT3045具有宽输出电压范围(0V至15V),同时保持单位增益操作,可提供几乎恒定的输出噪声、PSRR、带宽和负载调整性能,不受编程输出电压的影响。此外,该稳压器具有可编程限流、快速启动能力和可编程电源良好以指示输出电压调节。
LT3045可使用最小10µF的陶瓷型输出电容稳定工作。内置保护功能包括电池反接保护、反向电流保护、具有折返功能的内部限流以及带滞回的热限制。LT3045采用散热增强型12引脚MSOP和10引脚3mm × 3mm DFN封装。
特性
• 超低有效值噪声:0.8µVRMS(10Hz至100kHz)
• 超低散粒噪声:2nV/√Hz(10kHz时)
• 超高PSRR:76dB(1MHz时)
• 输出电流:500mA
• 宽输入电压范围:1.8V至20V
• 单个电容改善了噪声性能和PSRR
• 100µA SET引脚电流:初始精度:±1%
• 单个电阻设置输出电压
• 高带宽:1MHz
• 可编程限流
• 低压差:260mV
• 输出电压范围:0V至15V
• 可编程电源良好
• 快速启动能力
• 精密使能/UVLO
• 可并联以实现较低的噪声和较高的电流
• 带折返功能的内部限流
• 最小输出电容:10μF(陶瓷电容)
• 电池反接和反向电流保护
• 12引脚MSOP和10引脚3mm × 3mm DFN封装
• 通过AEC-Q100汽车应用认证
应用
• RF电源:PLL、VCO、混频器、LNA、PA
• 极低噪声仪器仪表
• 高速/高精度数据转换器
• 医疗应用:成像、诊断
• 精密电源
• 用于开关电源的后置调节器
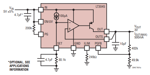
典型应用

引脚配置


点击购买:LT3045EDD#TRPBF