AD1584是亚德诺的一款低成本、低功耗、低压差、精密带隙基准电压源。为三引脚(串联)器件,采用紧凑的3引脚SOT-23表贴封装。这些基准电压源具有多功能特性,适合用于电池供电的3 V或5 V系统中,这些系统的电源电压变化较大,并且需要将功耗降至低点。

AD1584的出色精度和温度稳定性源于片内元件的精确匹配和热跟踪特性。利用温度漂移曲率校正专利设计技术,可以使电压输出温度特性的非线性度降至较小。
AD1584串联模式器件可以为负载提供最高5 mA的源电流或灌电流,并且只需200 mV的电源电压裕量便可有效地工作。这些器件耗用的最大静态电流为70 μA,电源电压变化范围仅为1.0 μA/V。与传统分流器件相比,这些器件具有极为突出的优势。通过输入串联电阻,不再会浪费宝贵的电源电流,而且在所有的输入电平均可实现高功效。
AD1584分为A和B两级,提供小尺寸SOT-23封装。所有等级产品的额定温度范围均为−40°C至+125°C工业温度范围。
特性
• 串联基准电压源(2.5 V、3 V、4.096 V、5 V)
• 低静态电流:70 µA(最大值)
• 电流输出能力:±5 mA
应用
• 便携式电池供电设备,例如:笔记本电脑、蜂窝电话、寻呼机、PDA、GPS和DMM
• 计算机工作站;适合用于各种视频RAMDAC
• 智能工业发射器
• PCMCIA卡
• 汽车
• 磁盘驱动器
• 3 V/5 V、8位/12位数据转换器
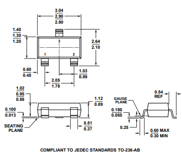
引脚配置

外形尺寸图


