MAX31732是ADI(亚德诺)一款多通道温度传感器,可监测自身温度和最多四个外部二极管连接晶体管的温度。电阻抵消功能可补偿外部热极和MAX31732之间高达300Ω的串联电阻,而β补偿可校正由于低β感测晶体管引起的温度测量误差。该传感器还允许理想系数在0.9844和1.311之间。

MAX31732提供两个开漏、有源低报警输出,ALARM1和ALARM2。当通道的测量温度超过相应的主超温/低温阈值水平时,ALARM1会断言为低,并在相应的热状态寄存器中设置一个状态位。当通道的测量温度超过二次超温/低温阈值水平时,ALARM2将断言为低,并在相应的热状态寄存器中设置一个状态位。最高温度寄存器允许控制器获取最热通道的温度。
512位非易失性存储器(NVM)允许MAX31732在通电期间对配置寄存器进行编程,而无需软件/固件干预。NVM还捕获每个远程和本地通道的故障温度,以便稍后进行进一步分析。
2线串行接口接受SMBus协议(写字节、读字节、发送字节和接收字节),用于读取温度数据和编程温度阈值。可以使用地址选择输入(ADD)选择八个可用目标地址中的任何一个,该输入可以连接到圆形或接地电阻器。在-40°C至+125°C的工作温度范围内,输入电源为3.0V至3.6V。MAX31732采用24引脚、4mm x 4mmQFN封装。
特性
一个本地和四个远程温度传感通道
±1°C远程温度测量精度(-40°C至+125°C)
-64°C至+150°C远程温度-测量范围
远程信道高达300Ω的电阻抵消
低贝塔晶体管的补偿
两个可编程报警温度阈值
12位,0.0625°C分辨率
八个可选目标地址
与各种微控制器的灵活I2C/SMBus接口
理想系数高达1.311
NVM有助于配置和故障记录
应用
片上CPU、ASIC、SOC或FPGA二极管或远程分立二极管的温度测量
工业热管理
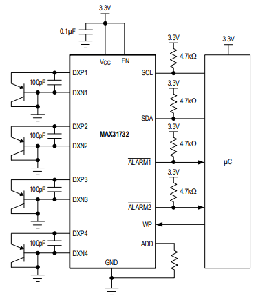
典型应用电路
