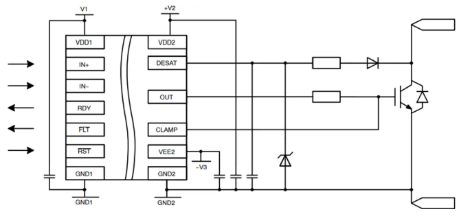
安森美 (onsemi) NCD57000和NCD57001大电流IGBT驱动器是内置电流隔离功能的单通道IGBT栅极驱动器,设计用于为大功率应用实现高系统效率和可靠性。NCD57000和NCD57001 IGBT驱动器具有互补输入、漏极开路故障和就绪输出、有源米勒钳位、精确UVLO、DESAT保护以及DESAT软关断特性。另外,NCD57000 IGBT驱动器还可提供独立的高侧和低侧(OUTH和OUTL)驱动器输出,以实现较高的系统设计灵活性和便利性。

NCD57000和NCD57001均可在输入侧提供5.0V和3.3V信号,在驱动器侧提供较宽的偏置电压范围,包括负电压能力。这些器件具有>5kVrms(符合UL1577标准)和>1200Viorm(工作电压)功能。
NCD57000和NCD57001 IGBT栅极驱动器采用宽体SOIC-16封装,输入和输出之间的爬电距离保证为8mm,以满足增强的安全绝缘要求。这些器件无铅、无卤,符合RoHS指令。
特性
在IGBT米勒平坦电压下具有大电流输出 (+4A/-6A)
低输出阻抗,用于增强型IGBT驱动
传播延迟时间短,具有精确匹配
有源米勒钳位,防止杂散栅极导通
DESAT保护,带可编程延迟
独立的高侧和低侧(OUTH和OUTL)驱动器输出(仅限NCD57000)
针对DESAT的负电压(低至-9V)能力
IGBT短路期间的软关断
短路期间的IGBT栅极钳位
IGBT栅极有源下拉
UVLO阈值小,实现偏置灵活性
宽偏置电压范围,包括负VEE2
输入电源电压:3.3V至5.0V
设计用于符合AEC-Q100标准
5000V电流隔离(以满足UL1577要求)
1200V工作电压(符合VDE0884-11要求)
高瞬态抗扰度
高电磁抗扰度
封装:SOIC-16 WB
无铅、无卤,符合RoHS指令
应用
太阳能逆变器
电机控制
焊接
不间断电源 (UPS)
工业电源
简化应用电路
