Qorvo QPA1111功率放大器是大功率、封装的X波段MMIC放大器,采用0.15 μm碳化硅基氮化镓工艺(QGaN15)制成。 这些放大器的工作频率范围为8.5GHz至10.5GHz,储存温度范围为-55°C至150°C。QPA1111放大器具有30W饱和输出功率、45%功率附加效率和38dB小信号增益。这些放大器完全匹配至50Ω,设有直流接地I/O端口,可实现最佳ESD性能, 简化了系统集成。QPA1111功率放大器100%经过直流和射频测试,以确保符合电气规范,非常适合用于雷达、卫星通信和数据链路应用。

特性
8.5 GHz至10.5 GHz频率范围
POUT :45dBm(PIN =18dBm)
PAE:45%(PIN =18dBm)
功率增益:27dBm(PIN =18dBm)
功率耗散(PD):65W
小信号增益:38 dB
储存温度范围:-55°C至150°C
偏置:
脉冲VD =22V
IDQ =620mA
PW=100μs
DC=10%
典型范围:VG =-2.3V
封装尺寸:6 mm x 6 mm x 0.85 mm
无铅,符合RoHS指令
应用
卫星通信
雷达
数据链路
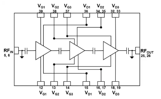
功能框图
