PSA2-6+是使用GaAs HBT技术制造的宽带放大器。该设备提供+5.6 dBm P1dB、15.2 dB增益、+17 dBm OIP3和2.4 dB NF,非常适合用于通信应用、雷达系统和宽带测试和测量设备。它具有可重复的性能,并且封装在紧凑的1.85 x 2 mm 6引脚SOT-363中。

特性
宽带,直流至7000 MHz
典型低噪声系数。2.4分贝
高增益,典型。15.2分贝
内部匹配至50欧姆
单+5V电源电压
典型低电流。15毫安
应用
5G MIMO无线电系统
测试和测量设备
雷达系统
功能图


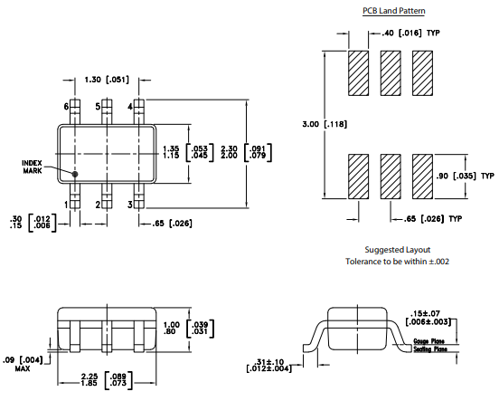
外观尺寸图

点击购买:PSA2-6+