MDB-44H+是Mini-Circuits的一种宽带混频器,采用InGaP HBT技术制造,具有集成LO和RF平衡-不平衡转换器。它具有可重复的性能,适合批量生产。它采用3毫米x3毫米x0.89毫米的MCLP™微型包装。

特性
宽带10至40 GHz
高L-R隔离,典型值37dB。频率为25 GHz
可用作上下变频器
小尺寸,3毫米x3毫米x0.89毫米
可水洗
应用
卫星上下变频器
国防雷达和通信
甚小口径终端
视线链接
联邦固定服务
5G
ISM
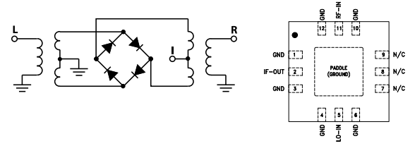
简化示意图和焊盘描述


点击购买:MDB-44H+