【MINI】MBDC-13-63HP+高功率双向耦合器的中文资料
2024/10/31 13:31:00
浏览次数:
6
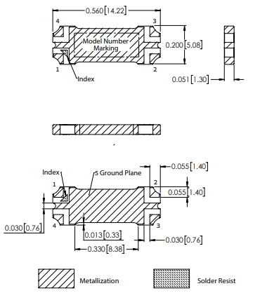
Mini-Circuits的MBDC-13-63HP+是一种高功率双向耦合器,可提供高达180W的高功率处理和0.1 dB的主线损耗。该型号覆盖2000至6000 MHz的频率,支持从功率放大器和天线馈电到各种数字通信等各种应用。20dB的高方向性提供了来自耦合端口的精确采样,23dB的回波损耗在整个频率范围内提供了出色的匹配。耦合器设计为开放式印刷层压板(0.56英寸x 0.20英寸x 0.051英寸),带有环绕式端子,具有良好的可焊性和易于目视检查。

特性
高功率处理,高达180W
超宽带,2000至6000 MHz
插入损耗低,0.1 dB
功率放大器
应用
天线馈电
移动卫星通信
数字通信应用
功能图

外观尺寸图

在线留言询价
推荐阅读
-
点击次数:
2
2026-03-27
容纳 AD7680 的印刷电路板应设计成模拟部分和数字部分相互分离,并限定在电路板的特定区域内。这有助于使用可以轻松分离的地平面。对于地平面,通常最好采用最小蚀刻技术,因为它能提供最佳的屏蔽效果。数字地平面和模拟地平面应仅在一个地方连接。如果 AD7680 所在的系统中多个器件需要 AGND 到 DGND 的连接,则该连接仍应仅在一个点进行,即星形接地点,且该点应尽可能靠近 AD7680 建立。避免在器件下方布设数字线,因为这些线会将噪声耦合到芯片上。应允许模拟地平面延伸至 AD7680 下方,以避免噪声耦合。通往 AD7680 的电源线应使用尽可能宽的走线,以提供低阻抗路径并减少电源线上的毛刺影响。快速切换信号,例如时钟信号之类的线路,应当使用数字地进行屏蔽,以避免向电路板的其他部分辐射噪声,并且时钟信号绝不能布设在模拟输入附近。避免数字信号和模拟信号交叉。电路板两面的走线应相互垂直,这可以减少板上的串扰效应。微带线技术是目前最好的方法,但在双面板上并不总是可行。在这种技术中,电路板的元件面专门用于接地平面,而信号则布设在焊接面。良好的去耦也非常关键。如典型连接图部分所述,所有模拟电源都应使用 10 μF 钽电容与 0.1 μF 电容并联去耦至 AGND。为了从这些去耦元件中获得最佳性能,用户应尽量缩短去耦电容与 V_{DD}V DD和 GND 引脚之间的距离,并使用短走线连接相应的引脚。
-
点击次数:
2
2026-03-27
图1图1显示了AD7680模拟输入结构的等效电路。两个二极管D1和D2为模拟输入提供ESD(静电放电)保护。必须注意确保模拟输入信号超出电源轨的幅度不超过300 mV。这会导致这些二极管正向偏置,并开始向衬底导通电流。这些二极管在不造成器件不可逆损坏的情况下所能导通的最大电流为10 mA。图1中的电容C1通常约为5 pF,主要归因于引脚电容。电阻R1是一个集总元件,由跟踪保持开关的导通电阻组成。该电阻通常约为25 Ω。电容C2是ADC采样电容,典型电容值为25 pF。对于交流应用,建议在相关的模拟输入引脚上使用RC低通滤波器,以从模拟输入信号中去除高频分量。在谐波失真和信噪比至关重要的应用中,模拟输入应由低阻抗源驱动。大的源阻抗会显著影响ADC的交流性能。这可能需要使用输入缓冲放大器。运算放大器的选择取决于具体的应用。当没有使用放大器来驱动模拟输入时,源阻抗应限制为低值。最大源阻抗取决于可以容忍的总谐波失真(THD)量。随着源阻抗的增加,THD也会增加,性能随之下降(见图2)。AD7680 的输出编码为直接二进制。图2
-
点击次数:
3
2026-03-27
LTC2400 是一款 2.7V 至 5.5V 微功耗 24 位转换器,具有集成振荡器、4ppm 积分非线性 (INL) 和 0.3ppm 均方根 (RMS) 噪声。其采用了 delta-sigma 技术,为多路复用应用提供单周期建立时间。通过单个引脚,可以将 LTC2400 配置为在 50Hz 或 60Hz ±2% 下实现超过 110dB 的抑制,或者可以由外部振荡器驱动,以实现 1Hz 至 120Hz 范围内的用户定义抑制频率。内部振荡器不需要外部频率设置元件。该转换器接受从 0.1V 到 Vcc 的任何外部参考电压。凭借其扩展的输入转换范围(-12.5% VREF 至 112.5% VREF),LTC2400 有效地解决了先前传感器或信号调理电路的偏移和超量程问题。LTC2400 通过灵活的 3 线数字接口进行通信,该接口兼容 SPI 和 MICROWIRE™ 协议。特性SO-8封装的24位ADC4ppm INL,无缺失代码4ppm满标度误差多路应用的单次转换设置时间0.5ppm偏移0.3ppm噪声内部振荡器——不需要外部组件110最小dB,50Hz/60Hz陷波滤波器参考输入电压:0.1V至VCCLive Zero——扩展输入范围可容纳12.5%的超量程和欠量程单电源2.7V至5.5V运行低电源电流(200µA)和自动关机常见应用体重秤直接温度测量气体分析仪应变计传感器仪器仪表数据采集工业过程控制6位数字数字视频录像机
-
点击次数:
2
2026-03-27
LTC2351-14 是一款 14 位、1.5Msps ADC,具有六个同时采样的差分输入。该器件仅从单个 3V 电源消耗 5.5mA 电流,并采用微型 32 引脚 (尺寸:5mm × 5mm) QFN 封装。睡眠关断模式可进一步将功耗降低至 12µW。低功耗和微型封装的结合使 LTC2351-14 非常适合便携式应用。LTC2351-14 包含六个独立的差分输入,这些输入在 CONV 信号的上升沿同时采样。这六个采样输入随后以每通道 250ksps 的速率进行转换。83dB 的共模抑制比允许用户通过差分测量来自源头的信号,从而消除接地环路和共模噪声。该器件根据 BIP 引脚的状态,差分转换 0V 至 2.5V 的单极性输入,或 ±1.25V 的双极性输入。只要保持差分输入范围,任何模拟输入都可以摆幅至电源轨。转换序列可以根据 SEL2、SEL1 和 SEL0 输入的逻辑状态进行缩减,以转换少于六个的通道。串行接口在 96 个时钟周期内发送六个转换结果,以兼容标准串行接口。特性具有六个同时采样差分输入的1.5Msps ADC每通道250ksps吞吐量75dB信噪比低功耗:16.5mW3V单电源操作2.5V内部带隙基准,可与外部基准过度驱动3线SPI兼容串行接口CONV触发的内部转换睡眠(12μW)关机模式NAP(4.5mW)关机模式0V至2.5V单极或±1.25V双极差分输入范围83dB共模抑制微型32针(5mm×5mm)QFN封装应用多相功率测量多相电机控制数据采集系统不间断电源
-
点击次数:
3
2026-03-27
AD574A 是一款完整的 12 位 A/D 转换器,无需任何外部元件即可提供完整的逐次逼近模拟-数字转换功能。当控制部分被指令启动一次转换(如下所述)时,它使能时钟并将逐次逼近寄存器 (SAR) 复位为全零。一旦转换周期开始,便无法停止或重新启动,且输出缓冲器中的数据不可用。SAR 由时钟定时,将按顺序遍历转换周期,并向控制部分返回一个转换结束标志。控制部分随后将禁用时钟,将输出状态标志拉低,并使能控制功能以允许通过外部命令进行数据读取操作。在转换周期期间,内部 12 位电流输出 DAC 由 SAR 从最高有效位 (MSB) 到最低有效位 (LSB) 进行顺序控制,以提供一个输出电流,该电流通过 5 kΩ(或 10 kΩ)输入电阻器精确平衡输入信号电流。比较器判断每个逐次加权的位电流的加入是否导致 DAC 电流总和大于或小于输入电流;如果总和较小,则保留该位(置 1);如果总和较大,则关闭该位(置 0)。在测试完所有位后,SAR 包含一个 12 位二进制代码,该代码在 ±1/2 LSB 范围内精确表示输入信号。温度补偿埋入式齐纳基准为 DAC 提供主要电压基准,并保证了随时间和温度的极佳稳定性。该基准经过修整,精度为 10.00 伏 ±0.2%;当 AD574A 由 ±15 V 电源供电时,除了基准输入电阻器(0.5 mA)和双极性偏置电阻器(1 mA)的需求外,它还可以向外部负载提供高达 1.5 mA 的电流。如果 AD574A 使用 ±12 V 电源,或者如果必须在整个温度范围内提供外部电流,则建议使用外部缓冲放大器。在转换期间,施加在 AD574A 基准上的任何外部负载必须保持恒定。薄膜应用电阻器经过修整以匹配 DAC 的满量程输出电流。有两个 5 kΩ 输入标度电阻器,允许选择 10 伏或 20 伏的量程。10 kΩ 双极性...