HMC960LP4E是一款数字可编程双通道可变增益放大器。 该器件支持0到40 dB分立式增益步进,步长为精确的0.5 dB。 该器件采用无毛刺架构,具有出色的平滑增益跃迁性能。 器件的匹配增益路径提供宽信号带宽内出色的正交平衡。还能够提供SPI可编程输入阻抗(默认为100Ω差分或400Ω差分)。
HMC960LP4E的外部控制共模输出特性使其具有灵活的输出接口,能与信号路径上的其他器件对接。 通过并行接口(GC[6:0])或读/写串行端口(SPI),可控制增益。并且采用紧凑型4x4mm (LP4) SMT QFN封装,只需极少的外部元件,为更复杂的开关放大器架构提供了一种低成本替代解决方案。
特性
• 低噪声: 6 dB NF
• 高线性度: 输出IP3 +30 dBm
• 可变增益: 0至40 dB
• 高带宽: DC至100 MHz
• 精确增益精度:0.5 dB增益步进
• 出色的幅度和相位响应
• 外部控制共模输出电平
• 并行或串行增益控制
• 读/写串行端口接口(SPI)
• 24引脚4x4 mm SMT封装16 mm²
• 可编程输入阻抗(400Ω差分或100Ω差分)
应用
HMC960LP4E适用于:
•基带I/Q收发器
•直接转换和低中频收发器
•分集接收器
•ADC驱动器
•自适应增益控制
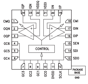
功能图
