HMC984LP4E是一款高性能、超低相位噪声、SiGe BiCMOS鉴频鉴相器和电荷泵,设计搭配HMC983LP5E(小数分频器)使用,共同组成高性能、低噪声、超低杂散发射小数N分频频率合成器。与HMC983LP5E搭配使用虽然能获得最佳性能和最多特性,但HMC984LP4E还可作为低相位噪声鉴频鉴相器独立使用。

HMC984LP4E可接受差分VCO输入以及高达150 MHz的基准频率。 与HMC983LP5E一同使用时,该器件提供14位基准频率R分频器和自动AND/OR可配置锁定检测指示器,以及集成式CSP(防周跳)能力,可极大地改进频率锁定时间。集成式电荷泵相位扫描选项可实现至VCO的无缝接口以及带有反转极性的有源环路滤波器。
特性
• 超低噪声:
-231 dBc/Hz FOM整数模式
-227 dBc/Hz FOM小数模式
• 超低杂散发射: 低于60 dBc小数杂散
• 差分鉴相器输入
• 14位基准分频器
• 锁定指示器输出
• 相位测量功能
• GPIO(通用输入/输出)测试引脚
• 配合使用HMC984LP4E,支持防周跳
• 24引脚、4 x 4 mm、LP4E封装
应用
HMC984LP4E适用于:
•测试设备
•便携式仪器
•具有超低杂散发射的高性能分数N频率合成器
•军事
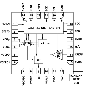
功能图

点击购买:HMC984LP4E