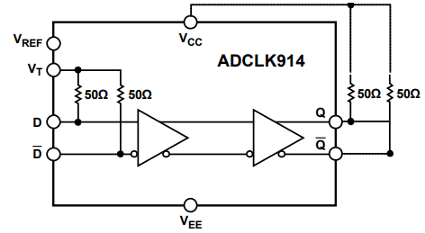
ADCLK914是一款采用ADI公司专利的互补双极性(XFCB-3)硅锗(SiGe)工艺技术制造的超快型时钟/数据缓冲器。ADCLK914具备高压差分信号(HVDS)输出,适合用于驱动ADI最新的高速数模转换器(DAC)。ADCLK914具备单个差分开集输出。

ADCLK914缓冲器的工作频率高达7.5 GHz,其传播延迟为160 ps,仅增加110 fs的随机抖动(RJ)。输入具有100 Ω中心抽头片内端接电阻,并接受LVPECL、CML、CMOS、LVTTL或LVDS(仅交流耦合)。VREF引脚可用来为交流耦合输入提供偏置。
HVDS输出级可以直接将每端1.9 V驱动至端接于VCC的50 Ω传输线路中,从而获得3.8 V的总差分输出摆幅。ADCLK914采用16引脚LFCSP封装。额定工作温度范围为扩展的工业温度范围−40°C至+125°C。
规格参数
输出端数量:1 Output
传播延迟—最大值:202 ps
最大输入频率:7.5 GHz
电源电压-最小:2.97 V
电源电压-最大:3.3 V
最小工作温度:- 40 C
最大工作温度:+ 125 C
高度:0.83 mm
长度:3 mm
宽度:3 mm
单位重量:20.700 mg
特性
• 7.5 GHz工作频率
• 160 ps传播延迟
• 100 ps输出上升时间/下降时间
• 110 fs随机抖动
• 片内输入端接电阻
• 扩展工业温度范围:
−40°C to +125°C
• 3.3 V电源(VCC − VEE)
应用
• 时钟和数据信号恢复
• 高速转换器时钟
• 宽带通信
• 蜂窝基础设施
• 高速线路接收机
• ATE和高性能仪器仪表
• 电平转换
• 阈值检测
功能框图

引脚图
