HMC-ALH509是一款三级GaAs HEMT T MMIC低噪声放大器(LNA),工作频率范围为71至86 GHz。 HMC-ALH509具有14 dB小信号增益、5 dB噪声系数和+7 dBm输出功率(1 dB压缩),采用+2V电源电压。 所有焊盘和芯片背面都经过Ti/Au金属化。 这款多功能LNA兼容传统的芯片贴装方式以及热压缩和热超声线焊工艺,非常适合MCM和混合微电路应用。 此处显示的所有数据均是芯片在50 Ω环境下使用RF探头接触测得。

规格参数
工作频率:71 GHz to 86 GHz
工作电源电压:2 V
工作电源电流:50 mA
增益:14 dB
NF—噪声系数:5 dB
P1dB - 压缩点:7 dBm
最小工作温度:- 40 C
最大工作温度:+ 85 C
频率范围:DC to 6 GHz
输入返回损失:13 dB
通道数量:1 Channel
Pd-功率耗散:339 mW
单位重量:57.100 mg
点击购买:HMC-ALH509
特性
• 噪声系数: 5 dB
• P1dB: +7 dBm
• 增益: 14 dB
• 电源电压: +2V
• 50 Ω匹配输入/输出
• 裸片尺寸: 3.20 x 1.60 x 0.1 mm
应用
HMC-ALH509非常适合:
•短程/大容量链路
•汽车雷达
•E波段通信系统
•测试和测量
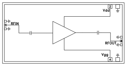
功能图
