ADR5043为高精度分流基准电压源,针对空间受限的应用而设计,采用超小型SC70和SOT-23封装,具有多用途、易于使用的特点,适合众多应用领域。此外还具有低温度漂移、优于0.1%的初始精度和快速建立时间特性。

ADR5043提供3.0 V输出电压,其先进的设计无需外部电容来提供补偿,而且使用任何容性负载均可保持稳定。工作电流范围为50 μA至15 mA。这些基准电压源的低工作电流特性和易用性,使之非常适合手持式电池供电应用。额定温度范围为−40°C至+125°C扩展温度范围。
规格参数
输出电压:3 V
初始准确度:0.2 %
温度系数:100 PPM / C
串联VREF—输入电压—最大值:-
分流电流—最大值:15 mA
最小工作温度:- 40 C
最大工作温度:+ 125 C
点击购买:ADR5043ARTZ
特性
• 超紧凑SC70和SOT-23封装
• 低温度系数: 75 ppm/°C(最大值)
• 初始精度:±0.1%
• 无需外部电容
• 宽工作电流范围: 50 μA至15 mA
• 扩展温度范围: -40℃至+125℃
• 通过汽车应用认证
应用
便携式电池供电设备
汽车电子
电源供应
数据采集系统
仪表和过程控制
能源管理
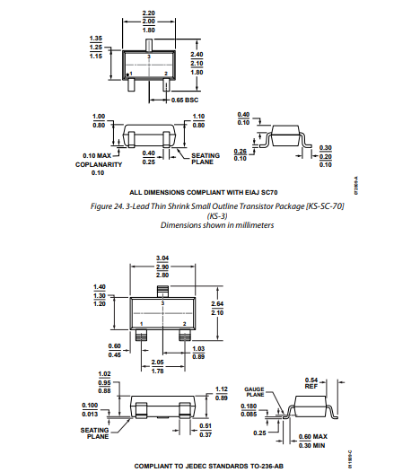
尺寸图
