HMC602LP4(E)对数检波器/控制器可在输入端将RF信号转换为输出端成比例的直流电压。 HMC602LP4(E)采用逐次压缩拓扑,在宽输入频率范围内具有极高的动态范围和转换精度。 随着输入功率增加,连续放大器逐渐进入饱和,从而生成对数函数近似值。

对一系列平方律检波器输出求和,转换至电压域并缓冲,以驱动LOGOUT输出。 在检测模式下,LOGOUT引脚短路至VSET输入,并提供-25mV/dB标称对数斜率以及18 dBm截点(ƒ ≥ 5.8 GHz时为23 dBm)。 HMC602LP4(E)还可用于控制器模式,在该模式下外部电压施加到VSET引脚,构成AGC或APC反馈环路。
规格参数
频率范围:1 MHz to 8 GHz
动态范围 dB:70 dB
工作电源电压:5 V
最大工作温度:+ 85 C
最小工作温度:- 40 C
Pd-功率耗散:1.55 W
单位重量:1 g
特性
• 宽动态范围:最高70 dB
• 高精度:±1 dB(60 dB,范围达6 GHz)
• 快速:10ns输出响应时间
• 电源电压:+5V
• 关断模式
• 出色的温度稳定性
• 缓冲温度传感器输出
• 4x4mm无引脚SMT封装
应用
• 蜂窝/PCS/3G
• WiMAX、WiBro、WLAN、固定无线与雷达
• 电源监测与控制电路
• 接收器信号强度指示(RSSI)
• 自动增益与电源控制
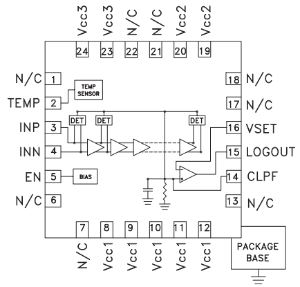
引脚配置
