Qorvo的QPA0524是一款高功率、封装的Ku波段MMIC放大器,采用Qorvo生产的0.15 um GaN on SiC工艺(QGaN15)制造。QPA0524的目标是用于5G和卫星通信频段的24.25-26.5 GHz。它在802.11ac 160MHz MSC9下提供400 mW的线性功率,ACPR为-30 dBc。此外,
QPA0524可以提供高达5 W的输出功率,具有35 dB的小信号增益和23%的功率附加效率。为了简化系统集成,QPA0524与50欧姆完全匹配,具有直流接地I/O端口,可实现最佳ESD性能。
QPA0524非常适合支持商用和军用市场的5G线性电源、通信和雷达应用。QPA0524经过100%直流和射频测试,以确保符合电气规范。
特性
•频率范围:24.26-26.5 GHz
•线性输出:26 dBm
•ACPR(POUT=26 dBm,802.11ac):-30 dBc
•输出(PIN=20 dBm):37 dBm
•PAE(PIN=20 dBm):23%
•小信号增益:23 dB
•偏压:VD=20V,IDQ=126mA,VG=-2.2V典型范围
•包装尺寸:5.00 x 5.50 x 1.63毫米
应用
•5G
•卫星通信
•雷达
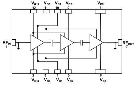
功能框图
