HMC576LC3B是一款使用GaAs PHEMT技术的x2有源宽带倍频器电子元器件,采用符合RoHS标准的无引脚SMT封装。 由+3 dBm信号驱动时,该倍频器在18至29 GHz范围内提供+15 dBm的典型输出功率。 在24 GHz频率下,Fo和3Fo隔离大于20 dBc。

HMC576LC3B非常适合在点对点和VSAT无线电的LO倍频链中使用,与传统方法相比,可以减少器件数量。 100 kHz偏置时的低加性SSB相位噪声为-132 dBc/Hz,有助于保持良好的系统噪声性能。 HMC576LC3B采用符合RoHS标准的封装,无需线焊,可以使用表贴制造技术。
规格参数
工作频率:18 GHz to 29 GHz
电源电压-最大:5.5 V
电源电压-最小:4.5 V
工作电源电流:82 mA
最大输入频率:29 GHz
最大工作温度:+ 85 C
最小输入频率:18 GHz
最小工作温度:- 55 C
工作电源电压:5 V
Pd-功率耗散:709 mW
单位重量:2.629 g
点击购买:HMC576LC3B
特性
• 高输出功率: +15 dBm
• 低输入功耗驱动: 0至+6 dBm
• Fo隔离: >20 dBc(Fout = 24 GHz时)
应用
•时钟生成应用:SONET OC-192和SDH STM-64
•点对点和甚小孔径终端无线电
•测试仪器
•军事与航天
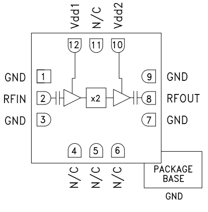
引脚配置
