HMC535LP4(E)是一款GaAs InGaP异质结双极性晶体管(HBT) MMIC PLO电子元器件。 由于振荡器的单芯片结构,PLO的相位噪声性能在温度、冲击和工艺条件下均非常出色。 采用+5V电源电压时,输出功率为+9 dBm(典型值)。

所有功能(VCO、运算放大器、PFD、预分频器)完全集成,同时允许使用片外客户特定环路元件。 PLO MMIC接受230至240 MHz范围内的单端或差分参考振荡器输入信号,并提供数字锁定检测器(LD)输出,以确认环路的状态。 该锁相振荡器采用无引脚QFN 4x4 mm表贴封装。
规格参数
最大输入频率:15.4 GHz
最小输入频率:14.7 GHz
电源电压-最大:12.5 V
电源电压-最小:4.75 V
最小工作温度:- 40 C
最大工作温度:+ 85 C
工作电源电流:172 mA
工作电源电压:5 V, 12 V
单位重量:1 g
点击购买:HMC535LP4E
特性
• Pout: +9 dBm
• 相位噪声: 典型值为-110 dBc/Hz(100 KHz)
• 单电源:
+5V @ 340 mA
12V @ 28 mA
应用
•VSAT无线电
•点对点和点对多点无线电
•测试设备和工业控制
•军事最终用途
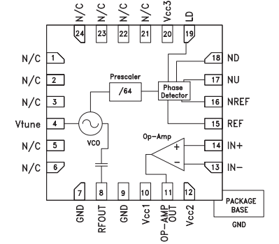
引脚配置
