ADT1-6T+是Mini-Circuits的一款射频变压器芯片,其工作频率最小0.03MHz,最大125MHz,1:1,符合ROHS标准。

规格参数
频率范围:30 kHz to 125 MHz
初级线圈阻抗:50 Ohms
次级线圈阻抗:50 Ohms
最小工作温度:- 20 C
最大工作温度:+ 85 C
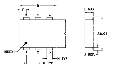
长度:7.87 mm
宽度:5.59 mm
高度:5.23 mm
最大直流电流:30 mA
功率额定值:500 mW
单位重量:2.861 g
点击购买:ADT1-6T+
特性
•出色的振幅不平衡,典型值为0.1 dB。相位不平衡,典型值为1度。1dB带宽
•出色的回波损耗,典型值为18 dB。在1dB带宽内
•可水洗
应用
•阻抗匹配
•平衡放大器
尺寸图


