AD654是一款单芯片V/F转换器,由输入放大器、精密振荡器系统和高电流输出级组成电子元器件。它只需要一个简单的RC网络,即可设置最高500 kHz的任意满量程(FS)频率和最高±30 V的任意FS输入电压。在250 kHz满量程时,线性误差仅为0.03%,保证工作动态范围为80 dB。整体温度系数(不包括外部元件的影响)典型值为±50 ppm/°C。AD654采用5 V至36 V单电源供电,静态电流仅为2.0 mA。

低漂移(典型值4 µV/°C)输入放大器可以直接采用来自热电偶或应变计等的小信号工作,同时提供高输入阻抗(250 MΩ)。与大多数V/F转换器不同,AD654提供方波输出,可以驱动最多12个TTL负载、光耦合器、长电缆或类似负载。
规格参数
全标度频率:500 kHz
INL - 积分非线性:+/- 0.4 % FSR
电源电压-最大:36 V
电源电压-最小:4.5 V
最小工作温度:- 40 C
最大工作温度:+ 85 C
双重电源电压:+/- 5 V to +/- 18 V
高度:3.43 mm
长度:9.27 mm
最大双重电源电压:+/- 18 V
最小双重电源电压:+/- 5 V
工作电源电压:5 V, 9 V, 12 V, 15 V, 18 V, 24 V, 28 V
宽度:7.24 mm
单位重量:1 g
AD654JNZ电压频率转换器的规格参数、特性及引脚图• 低成本
• 单电源或双电源供电;5 V至36 V, ±5 V 至 ±18 V
• 满量程频率最高达500 kHz
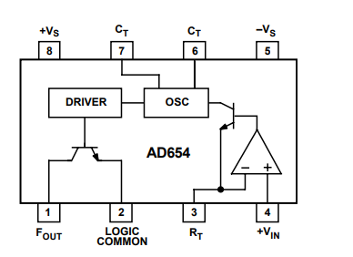
引脚图
