MAGX-100027-015S0P是一种适用于DC-2.7 GHz频率操作的高功率硅基GaN HEMT D型晶体管电子元器件。该设备在塑料封装中支持CW和脉冲操作,峰值输出功率水平高达15W(41.8dBm)。
MAGX-100027-015S0P非常适合多种应用,包括军事无线电通信、数字蜂窝基础设施、射频能源、航空电子、测试仪器和雷达。

规格参数
工作频率: 0 Hz to 2.7 GHz
工作电源电压: 50 V
工作电源电流: 60 mA
增益: 17.6 dB
最小工作温度: - 40 C
最大工作温度: + 85 C
通道数量: 1 Channel
产品类型: RF Amplifier
特性
•适用于线性和饱和应用
•CW和脉冲操作:15 W输出功率
•260°C回流兼容
•50V操作
•100%射频测试
•符合RoHS标准
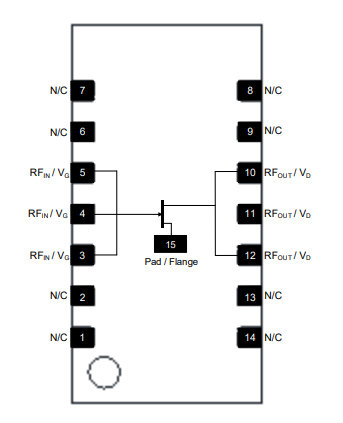
功能图
