M/A-COM的MAAL-007304低噪声放大器是一款GaAsMMIC放大器电子元器件,采用无铅SOT-26表面贴装塑料封装。MAAL-007304采用单片2级自偏置设计,可根据系统要求在+3至+5伏之间偏置。MAAL-007304提供低噪声、低电流和高增益。它可以针对0.5至3GHz的各种应用进行调谐。

M/A-COM使用低噪声pHEMT工艺制造MAAL-007304,以实现低噪声和高增益。该工艺具有完全钝化的性能和可靠性。
规格参数
工作频率: 500 MHz to 3 GHz
工作电源电压: 3 V to 5 V
工作电源电流: 11.5 mA
增益: 25.5 dB
NF—噪声系数: 0.7 dB
P1dB - 压缩点: 7 dBm
OIP3 - 三阶截点: 19 dBm
最小工作温度: - 40 C
最大工作温度: + 85 C
电源电压-最大: 5 V
电源电压-最小: 3 V
单位重量: 30 mg
特性
低噪声系数:2.3GHz时为0.7dB
单+3至+5V电源偏压
低电流:典型值11.5mA
无铅SOT-26塑料封装
符合RoHS*标准,兼容260°C回流焊
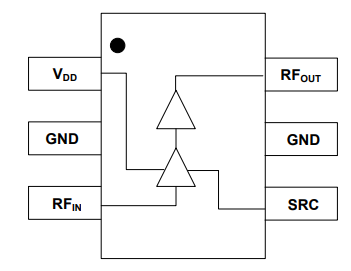
功能图
