MAPS-010166是一款GaAs pHEMT 6位数字移相器电子元器件,采用4mm PQFN塑料表面贴装封装,集成CMOS驱动器。步长为5.6°,以5.6°的步长提供从0到360°的相移。该设计已经过优化,以最大限度地减少相移范围内的衰减变化。

MAPS-010166非常适合在需要高相位精度和相移范围内最小损耗变化的情况下使用。4mm PQFN封装提供了比通常用于具有内部驱动器的数字移相器更小的占地面积。典型应用包括通信天线和相控阵雷达。
规格参数
最大输入频率:12 GHz
最小输入频率:8 GHz
最小工作温度:- 40 C
最大工作温度:+ 85 C
技术:GaAs
封装 / 箱体:PQFN-24
商标:MACOM
安装风格:SMD/SMT
工作电源电压:3 V to 5.5 V
电源电压-最大:5.5 V
电源电压-最小:3 V
特性
6位数字移相器
360°覆盖,LSB=5.6°
集成CMOS驱动器
串行或并行控制
低直流功耗
相移范围内衰减变化最小
50Ω阻抗
无铅4mm 24导联PQFN封装
符合RoHS*标准
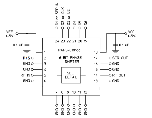
功能图

