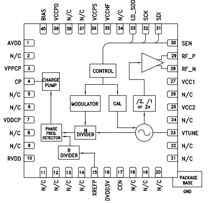
HMC838LP6CE是一款全功能小数N分频锁相环(PLL)频率合成器,集成压控振荡器(VCO)。 频率合成器由带有三频段输出的集成式低噪声VCO、用于低压VCO调谐的自动校准子系统、极低噪声数字相位检波器(PD)、精密控制电荷泵、低噪声参考路径分频器和小数分频器组成。

小数分频频率合成器采用高级Σ-Δ型调制器设计,支持超精细步长和低杂散产物。 相位检波器(PD)采用防周跳(CSP)技术,具有更快的跳频时间。 超低近载波相位噪声和低杂散特性还实现了更宽的环路带宽,从而具有更快的跳频和低微音特性。
规格参数
电路数量:1 Circuit
最大输入频率:3.78 GHz
最小输入频率:795 MHz
电源电压-最大:5.2 V
电源电压-最小:3 V
最小工作温度:- 40 C
最大工作温度:+ 85 C
工作电源电流:88 mA
工作电源电压:3.3 V, 5 V
单位重量:117.300 mg
特性
• RF带宽: 795 – 945,1590 – 1890,3180 - 3780 MHz
• 小数或整数模式
• 19位预分频器
• 超低相位噪声:-111 dBc/Hz(带内典型值)
• 品质因数(FOM):-230 dBc(整数)
• 24位步长,3 Hz分辨率(典型值)
• 200 MHz、14位参考路径输入
• 防周跳
• 40引脚6x6mm SMT封装: 36mm²
应用
• 蜂窝/4G基础设施
• 中继器和毫微微蜂窝
• 通信测试设备
• 有线电视设备
• 相控阵应用
• 替代DDS
• 极高数据速率无线电
引脚图
