兆亿微波商城新到集成缓冲放大器【HMC732LC4B】400支,欢迎广大客户前来询价!
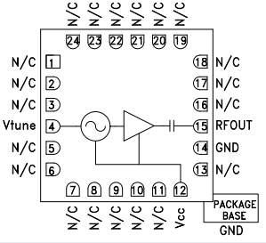
THMC732LC4B是一款宽带GaAs InGaP HBT MMIC压控振荡器,集成谐振器、负电阻器件和变容二极管。 由于该振荡器采用单芯片结构,因此在温度范围内具有出色的输出功率和相位噪声性能。 Vtune端口支持0至+23V的模拟调谐电压。 HMC732LC4B VCO采用+5V单电源供电,功耗仅为57 mA,提供符合RoHS标准的SMT封装。 这款宽带VCO独一无二地集超小尺寸、低相位噪声、低功耗和宽调谐范围等特性于一体。
应用:工业/医疗设备 测试和测量设备 军用雷达、EW和ECM
