该功率模块是为1500V直流电压的太阳能应用而开发的,与双面光伏组件兼容,功率为500W+。每个模块都配备了3路MPPT,每路MPPT的输入电流可达到30A。

产品规格:
FS3L200R10W3S7F_B94 200A 950V
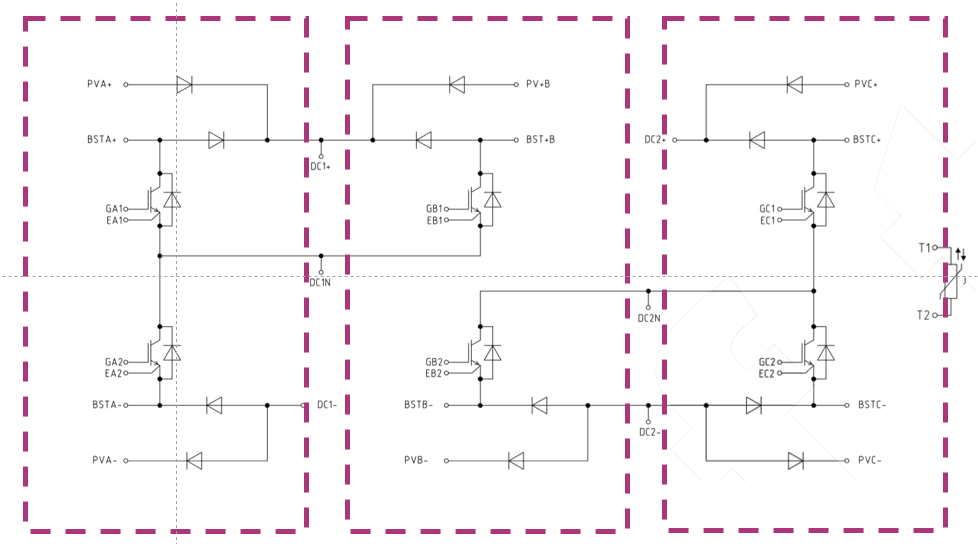
FS3L200R10W3S7F_B94是采用200A 950V IGBT7 S7和SiC二极管的Dual-Boost Easy3B模块。
该功率模块是为1500V直流电压的太阳能应用而开发的,与双面光伏组件兼容,功率为500W+。
每个模块都配备了3路MPPT,每路MPPT的输入电流可达到30A。
模块带高效率和坚固的旁路二极管,保护免受雷击。此外,由于12毫米的相同封装高度,设计者可以轻松灵活地将Easy 1B、2B和3B结合起来,用于MPPT和逆变器。
产品特点
● CoolSiC?肖特基二极管
● 950V TRENCHSTOP? IGBT7 S7
● 坚固的旁路二极管
● 与500W以上功率的双面光伏组件兼容的双升压拓扑结构
应用价值
● 得益于IGBT7和碳化硅的高效率
● 强大的抗雷击能力
● 每个MPPT的输入电流高达30A完全支持1500VDC系统
● 与F3L400R10W3S7F_B11和F3L400R10W3S7_B11一起,它为1500V三相光伏组串逆变器提供了整体解决方案
应用领域
● 太阳能系统中MPPT
产品框图
