AD8564是一款四路7ns比较器,具有独立的输入和输出电源,从而使输入级能够从#5双电源或5V单电源运行,同时保持CMOS-/TTL兼容的输出。
快速的7ns传播延迟使AD8564成为定时电路和线路接收器的良好选择。独立的模拟和数字电源可提供出色的保护,防止电源引脚相互作用。AD8564与MAX901引脚兼容,电源电流更低。
所有四个比较器都具有相似的传播延迟。上升和下降信号的传播延迟是相似的,并且随着温度和电压的变化而变化。这些特性使AD8564成为高速定时和数据通信电路的良好选择。
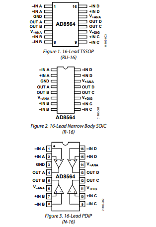
AD8564适用于工业温度范围(-40°C至+125°C)。四联AD8564提供16引脚TSSOP、16引脚窄体SOIC和16引脚塑料DIP封装。
特征
5V单电源操作
7ns传播延迟
低功率
独立的输入和输出部分
TTL/CMOS逻辑兼容输出
输出摆动幅度大
TSSOP、SOIC和PDIP封装
应用
高速定时
线路接收器
数据通信
高速V-to-F转换器
电池供电仪器
高速采样系统
窗口比较器
PCMCIA卡
MAX901设计升级
不同封装的芯片引脚图
