现货型号MADR-009190-000100的定义、特征说明
2025/10/27 10:42:18
浏览次数:
5
定义
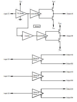
MADR-009190-000100是一款四通道驱动器,用于将TTL控制输入转换为GaAs FET微波开关和衰减器的栅极控制电压。高速模拟CMOS技术用于在中高速下实现低功耗,包括大多数微波开关应用。输出高电平可选为0至+2.0V(相对于GND),以优化FET控制器件在低频下的互调产物。对于驱动PIN二极管电路,输出标称在+5V和-5V之间切换。由于输出设备的电阻,当驱动大电流时,实际的驱动器输出电压会较低。

特征
•高压CMOS技术
•四通道
•正电压控制
•使用TTL输入电平的CMOS器件
•低功耗
•低成本无铅SOIC-16塑料包装
•无卤素“绿色”模塑料
•符合RoHS标准
在线留言询价
推荐阅读
-
点击次数:
0
2025-12-18
LTC2644 是一个双通道 12/10/8 位 PWM 转电压输出 DAC 系列,采用 12 引脚 MSOP 封装,内部集成高精度、低漂移、10 ppm/°C 的基准源。芯片带有轨到轨输出缓冲器,并保证单调性。LTC2644 会测量 PWM 输入信号的周期与脉宽,并在每个对应 PWM 输入上升沿后更新电压输出 DAC。DAC 输出在典型 8 µs 内以 12 位精度建立完成,可源出/吸入 5 mA(3 V 供电)或 10 mA(5 V 供电),从而消除电压纹波,替代传统的慢速模拟滤波器和缓冲放大器。使用内部 10 ppm/°C 基准时,LTC2644 的满量程输出为 2.5 V;也可采用外部基准,此时满量程输出等于外部基准电压。当任一 PWM 输入保持不变的空闲时间超过 60 ms 时,对应 DAC 会进入引脚可选的 idle 状态。芯片工作电压范围为单电源 2.7 V–5.5 V,支持的 PWM 输入高电平范围为 1.71 V–5.5 V。具备的特征无延迟PWM到电压转换电压输出在8µs内更新和稳定100kHz至30Hz PWM输入频率±2.5LSB最大INL;±1LSB最大DNL(LTC2644-12)保证单调引脚可选内部或外部参考2.7V至5.5V供电范围1.71V至5.5V输入电压范围低功耗:3V时2.7mA,断电1µA保证在-40°C至125°C的温度范围内运行12导联MSOP封装常见的应用数字校准修剪和调整电平设置过程控制和工业自动化仪器仪表汽车如有型号需求及选型需要,可直接联系兆亿微波电子元件商城。
-
点击次数:
1
2025-12-18
AD7892是一款高速、低功耗、12位模数转换器(ADC),采用+5 V单电源供电。该器件内置一个1.47微秒(µs)逐次逼近型ADC、一个片内采样保持放大器、一个内部+2.5 V基准电压源和片内多功能接口结构,通过该接口结构可以与微处理器实现串行连接和并行连接。AD7892可接受的模拟输入范围为±10 V或±5 V (AD7892-1)、0 V至+2.5 V (AD7892-2)和±2.5 V (AD7892-3)。AD7892-1和AD7892-3的模拟输入均具有过压保护,允许输入电压分别达到±17 V或±7 V而不会损坏端口。AD7892提供两种数据输出格式可供选择:单个并行12位字或串行数据。快速总线访问时间和标准控制输入,可确保该器件与微处理器和数字信号处理器轻松实现并行接口。通过高速串行接口,该器件可以与微控制器和数字信号处理器的串行端口直接连接。除线性度、满量程和失调误差等传统直流精度规格外,该器件的动态性能参数也做了详细规定,包括谐波失真和信噪比。AD7892采用ADI公司的线性兼容CMOS (LC2MOS)工艺制造,这是一种将精密的双极性电路与低功耗CMOS逻辑结合在一起的混合工艺技术。它提供两种封装:24引脚、0.3英寸宽、塑料或密封DIP和24引脚SOIC封装。特征快速12位ADC,转换时间为1.47秒,600kSPS吞吐率(AD7892-3)为500kSPS吞吐率(AD7892-1、AD7892-2)单电源操作片上跟踪/保持放大器输入范围的选择:AD7892-1为10 V或5 VAD7892-2为0 V至+2.5 VAD7892-3为2.5V高速串行和并行接口低功率,典型值为60 mW模拟输入过压保护(AD7892-1和AD7892-3)如有型号需求及选型需要,可直接联系兆亿微波电子元件商城...
-
点击次数:
1
2025-12-18
HMC764LP6CE是一款集成电压控制振荡器(VCO)的全功能小数N分频锁相环(PLL)。 输入基准频率范围为100 kHz至220 MHz,而小数PLL中的Δ-Σ型调制器设计支持超精细步长和极低杂散产物。 高度集成的结构提供温度、冲击和工艺变化情况下出色的相位噪声性能。 HMC764LP6CE采用无引脚QFN 6 x 6 mm表贴封装。 输出功率为15 dBm(典型值),使HMC764LP6CE非常适合驱动许多Hittite高线性度和I/Q混频器产品的LO端口。特征• RF带宽: 7.3至8.2 GHz• 小数或整数模式• 超低相位噪声7.8 GHz;50 MHz(参考值)-98/-101 dBc/Hz(10 kHz,小数/整数)-140 dBc/Hz(1 MHz,开环)• 24位步长,3 Hz分辨率(典型值)• 参考路径输入: 225 MHz• FSK调制和周跳预防模式• 40引脚6x6mm SMT封装: 36mm²应用• VSAT无线电• 点对点/多点无线电• 测试设备与工业控制• 军用最终用途• 相控阵应用如有型号需求及选型需要,可直接联系兆亿微波电子元件商城。
-
点击次数:
0
2025-12-18
ADXRS450 基于“谐振陀螺仪”原理工作。图 16 给出了四个多晶硅敏感结构之一的简化示意图。每个结构内部都有一个“抖动框架”,通过静电驱动使其谐振,从而在芯片感受到角速度时获得产生科里奥利力所需的线速度。SOIC_CAV 封装版本可检测 PCB 平面内的 Z 轴(偏航)角速度;立式封装(LCC_V)则将器件立起,可在同一块 PCB 上检测俯仰或滚转角速度。当敏感结构受到角速度作用时,产生的科里奥利力耦合到外部“检测框架”。该框架带有可动指,与固定指构成电容式检测结构,用于感知科里奥利位移。所得信号经多级增益与解调后,输出与角速度成比例的电信号。四传感器结构通过机械耦合,可把线加速度与角加速度(包括外部 g 力与振动)变成共模信号;ADXRS450 的全差分架构可将这些共模信号抑制掉,实现高抗扰性。谐振器需要 22.5 V(典型值)才能工作。由于大多数应用只有 5 V 电源,芯片内部集成了升压开关稳压器。连续自检测ADXRS450 陀螺仪采用完整的机电自检测机制:用静电力驱动陀螺框架,使电容检测指产生偏转;该偏转量与真实外部角速度引起的偏转等效;梁结构输出信号进入与真实速率信号完全相同的信号链,从而同时覆盖电气与机械部件。自检测以高于器件输出带宽的频率连续运行,并交替产生等效正、负速率偏转。经滤波后,对最终解调速率输出无净影响。正/负自检测偏转的差值幅度被滤波到 2 Hz,并持续与固化阈值比较(见表 1)。若幅度超过较轻阈值:故障寄存器的 CST 位置 1,但传感器数据中的状态位 ST[1:0] 仍保持 01,表示数据有效;若幅度超过严重阈值:CST 位置 1,且 ST[1:0] 置 00,表示数据无效。用户如需读取原始自检测信息,可通过 SPI 读取自检测寄存器(地址 0x04)。如有型号需求及选型需要,可直接联系兆亿微波电子元件商城。
-
点击次数:
1
2025-12-18
ADL5385 可划分为五个部分:本振(LO)接口、基带电压-电流(V-to-I)转换器、混频器、差分-单端(D-to-S)放大器以及偏置电路。LO 接口产生两路相位差 90° 的 LO 信号,用于驱动两个正交混频器。基带信号经 V-to-I 转换器变成电流后送入混频器;混频器输出在差分-单端放大器中合并,并提供 50 Ω 单端输出接口。各模块的基准电流由偏置电路产生。以下对各部分作详细说明。LO 接口LO 接口包括一个缓冲放大器,后接一对 ÷2 分频器,产生两路频率为输入一半且相互正交的载波。每路载波再经放大与限幅,驱动双平衡混频器。V-to-I 转换器差分基带输入电压加到基带输入引脚后,由一对共射极电压-电流转换器变成电流,这些电流随后在混频级中对两路半频 LO 载波进行调制。混频器ADL5385 内置两个双平衡混频器:一个用于同相通道(I 通道),一个用于正交通道(Q 通道)。混频器采用吉尔伯特四管交叉结构,两路输出电流在 D-to-S 放大器的 RL 负载上合并。D-to-S 放大器输出级 D-to-S 放大器由两个射极跟随器驱动图腾柱输出级,将差分信号转换为单端信号。输出阻抗由输出晶体管的发射极电阻设定,最终信号送至 VOUT 引脚。偏置电路带隙基准电路产生与绝对温度成正比(PTAT)以及温度无关的基准电流,供各模块使用。ENBL 引脚置高电平时带隙电路启动,进而给整个芯片供电。TEMP 引脚提供 PTAT 电压输出,可用于温度监测或温度补偿。如有型号需求及选型需要,可直接联系兆亿微波电子元件商城。