
定义
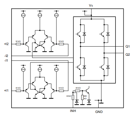
TLE4205G是一款集成功率全桥直流电机驱动器,适用于宽温度范围,例如汽车应用中的要求。该电路包含两个功率比较器,可以组合成全桥电路。对于电感性负载,有集成的续流二极管连接到+VS和地。输出是防短路的,最高可达18V电源电压接地,并在发生超温时关闭。该IC特别适用于汽车前照灯光束调节。
特征
● 最大驱动器电流1A
● 集成续流二极管
● 防对地短路
● 抑制
● ESD保护输入
● 温度范围-40°C≤Tj≤150°C
● 绿色产品(符合RoHS标准)
● AEC合格
电路描述

该IC包含两个放大器,在500 Hz下的典型开环增益为80 dB。输入级由PNP差分放大器组成。这产生了0V到接近VS的共模输入范围和VS的最大差分输入电压。SOA保护电路保护IC免受接地短路。如果芯片温度超过约160°C,输出晶体管将关闭。IC可以通过抑制输入关闭,这大大降低了电流消耗。