
定义
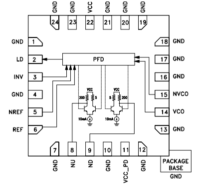
HMC3716LP4E是一款数字鉴频鉴相器,工作频率范围为10至1300MHz。它适合低相位噪声频率合成器应用。
该器件将高工作频率和超低相位噪底结合在一起,能够提供具有很宽环路带宽的合成器和低分频数,从而实现快速开关和极低相位噪声。与差分环路放大器结合使用时,HMC3716LP4E可以生成输出电压,用于锁相VCO为参考振荡器。
该器件采用24引脚、4 x 4mm无引脚QFN表面贴装封装,带有裸露接地焊盘以改善RF和散热性能。
特征
•点对点无线电
•卫星通信系统
•军事应用
•四重奏时钟生成
应用
超低SSB相位噪声基底:-153dBc/Hz@10kHz偏移@100MHz
集成输出电阻器
提高输入灵敏度
锁定检测和反转功能
24针4x4mm SMT封装