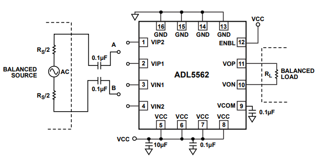
ADL5562 的基本工作连接

VCC 必须为 3.3 V,每个电源引脚至少用一个 0.1 μF 的低电感表贴陶瓷电容去耦,并尽可能靠近器件放置。
VCOM 引脚(9 号引脚)也需用 0.1 μF 电容去耦。
器件增益由输入引脚搭接方式决定:
输入 A 接 VIP1、输入 B 接 VIN1 时,增益为 6 dB(最小增益,见公式 1 和公式 2)。
输入 A 接 VIP2、输入 B 接 VIN2 时,增益为 12 dB(中等增益)。
输入 A 同时接 VIP1 与 VIP2、输入 B 同时接 VIN1 与 VIN2 时,增益为 15.5 dB(最大增益)。
引脚 1–4、10、11 的直流偏置为 VCC/2(相对于地),只要处于规定的输入/输出共模电压范围内,即可直流耦合;也可按图所示进行交流耦合。
要使能 ADL5562差分放大器,需将 ENBL 引脚拉高;拉低 ENBL 则进入休眠模式,此时静态电流降至 3 mA(环境温度下)。