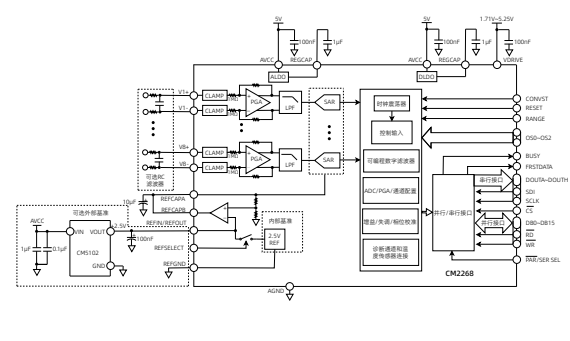
CM2268是一款16位、8通道同步采样数据采集系统(DAS)。各通道均内置模拟输入钳位保护、可编程增益放大器(PGA)、低通滤波器(LPF)和16位SARADC。CM2268还内置了灵活的数字滤波器、低温漂2.5V基准电压源、基准电压缓冲器以及高速串行和并行接口。
CM2268采用5V单电源供电,可以处理单端±12.5V、±10V、±5V、±2.5V和差分±25V、±20V、±12.5V、±10V、±5V真双极性输入信号,同时所有通道均能以高达1MSPS的吞吐速率采样。输入钳位保护电路可以承受高达±19.5V的电压。1MΩ的高输入阻抗以及片内滤波器,可以极大简化外围电路设计。

特征
双极性模拟输入范围
-单端:±12.5V、±10V、±5V、±2.5V
-差分:±25V、±20V、±12.5V、±10V、±5V
5V模拟电源,1.71V至5.25V数字接口电源
8通道同步采样输入
性能
-模拟输入ESD可达7000V
-93dBSNR(无过采样),-107dBTHD
-±0.3LSBINL,±0.5LSBDNL
灵活的并行/串行接口
-SPI/QSPI/MICROWIRE/DSP兼容
完全集成的数据采集解决方案
-模拟输入钳位保护
-具有1MΩ模拟输入阻抗的输入缓冲器
-一阶抗混叠模拟滤波器
-片内精密基准电压及缓冲
-16位、1MSPSADC(所有通道)
-灵活的数字滤波器,过采样率高达256倍
-23kHz和202kHz两种带宽选项
低功耗:运行175mW,待机25mW
LQFP6410mm×10mm封装
如有型号及选型需求,可直接联系兆亿微波电子元器件采购商城客服。