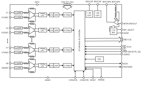
CM2248是一款16位、8通道同步采样模拟数据采集系统(DAS)。各通道均内置模拟输入钳位保护、二阶抗混叠滤波器、跟踪保持放大器、16位SARADC,内置了灵活的数字滤波器、2.5V基准电压源、基准电压缓冲以及高速串行和并行接口。
CM2248采用5V单电源供电,可以处理±10V、±5V真双极性输入信号,同时所有通道均能以高达200kSPS的采样率采样。在各种采样频率工作下,输入钳位保护电路可以承受高达±18.5V的电压。1MΩ的高输入阻抗以及片内滤波器,可以极大简化外围电路设计。

特征
双极性模拟输入范围:±10V、±5V
5V模拟电源,1.7V至5.25V数字接口电源
8通道同步采样输入
性能
-模拟输入ESDHBM可达7000V
-92dBSNR(无过采样),-105dBTHD
-±1LSBINL,±0.8LSBDNL
灵活的并行/串行接口
-SPI/QSPI/MICROWIRE/DSP兼容
完全集成的数据采集解决方案
-模拟输入钳位保护
-具有1MΩ模拟输入阻抗的输入缓冲器
-二阶抗混叠模拟滤波器
-片内精密基准电压及缓冲
-16位、200kSPSADC(所有通道)
-通过数字滤波器提供过采样功能
低功耗:运行107.5mW,待机28.5mW
LQFP6410mm×10mm封装
如有型号及选型需求可直接联系兆亿微波电子元器件采购商城客服。