EQY-6-123+是一种宽带吸收增益斜率均衡器,采用高度可靠和可重复的GaAs MMIC IPD工艺制造。该型号工作在直流至12 GHz范围内,由于其吸收设计,在整个频带内实现了出色的线性斜率,同时保持了出色的回波损耗。该型号采用紧凑的1.5x1.5 mm封装,是测试与测量、卫星通信以及雷达、电子战和ECM防御系统等广泛应用中密集电路布局的理想选择。

特征
宽带,直流至12 GHz
工作频带内的线性正斜率
出色的回波损耗,典型值为14 dB。
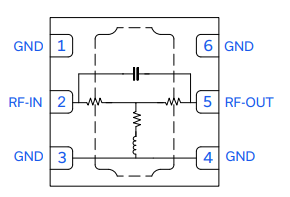
1.5x1.5 mm,6引线QFN型封装

应用
测试和测量设备
卫星通信
雷达、电子战和电子对抗防御系统
如有型号采购及选型需求,可直接联系兆亿微波电子元件商城。