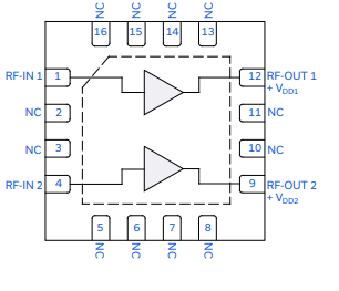
Mini-Circuits的PHA2-13HLN+是一种基于E-pHEMT的双匹配宽带MMIC功率放大器,在平衡配置中实现时具有高增益和高输出IP2。该放大器的工作频率为10至500 MHz,具有典型的1.8 dB噪声系数、21.8 dB增益、+30.2 dBm P1dB和+88 dBm OIP2。该器件需要每个放大器路径的+8 V电源电压,并在4x4 mm 16引脚QFN风格的小型封装中匹配到50Ω,便于集成到密集的电路板布局中。

特征
双匹配放大器
增益,典型值。21.8分贝
OIP2,典型。+88 dBm
典型噪声系数。1.8分贝
输出P1dB,典型值。+30.2 dBm
直流电源+8 V,490 mA
4x4 mm 16引脚QFN型封装

应用
广播
航空无线电导航
甚高频
卫星通信
如有型号采购需求,可直接联系兆亿微波电子元器件商城。