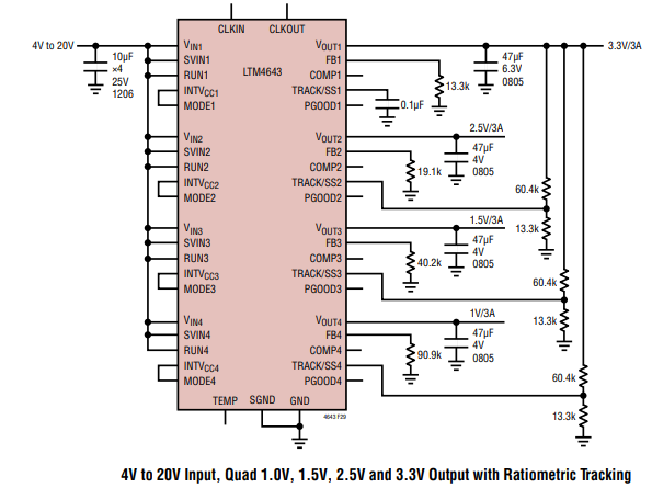
LTM4643 是一款四路输出的独立非隔离型开关模式 DC/DC 电源模块,封装尺寸为 9mm × 15mm × 1.82mm,超轻薄设计。该模块具备四个独立的稳压通道,每个通道在仅需少量外部输入输出电容的情况下,可持续输出高达 3A 的电流。每个稳压器可在 4V 至 20V 的输入电压范围内,通过单个外部电阻将输出电压精确设定在 0.6V 至 3.3V 之间。若使用外部偏置电压,该模块最低可在 2.375V 的输入电压下工作。

LTM4643 集成了四个独立的恒定频率控制、导通时间谷值电流模式稳压器、功率 MOSFET、电感器及其他支持性分立元件。典型开关频率设定为 1.2MHz。对于对开关噪声敏感的应用,该 μModule 稳压器可通过外部时钟信号在 850kHz 至 1.5MHz 范围内实现同步。
采用电流模式控制与内部反馈环路补偿,使 LTM4643 模块在宽范围的输出电容条件下(即使全部使用陶瓷电容)仍具备良好的稳定性裕度与瞬态响应性能。
电流模式控制还提供了将任意独立稳压通道并联的灵活性,并可实现精确的电流共享。通过内置的通道间时钟交错功能,LTM4643 可轻松配置为 2+2、3+1 或四通道并联运行,为多轨 POL(负载点)应用提供更高的设计灵活性。此外,LTM4643 提供 CLKIN 与 CLKOUT 引脚,用于频率同步或多相并联多个器件,最多支持 8 相级联同步运行。
电流模式控制还支持逐周期的快速电流监测。在过流条件下,模块提供折返式限流保护,当 VeB 电压下降时,将电感谷值电流限制为原始值的约 40%。内部过压与欠压比较器将在输出反馈电压偏离稳压点 ±10% 范围时,将开漏输出的 PGOOD 引脚拉低。在过压(OV)与欠压(UV)条件下,模块强制进入连续导通模式(CCM),但在启动阶段,当 TRACK 引脚电压上升至 0.6V 时除外。
将 RUN 引脚拉低至 1.1V 以下将强制控制器进入关断状态,关闭功率 MOSFET 及大部分内部控制电路。
在轻负载条件下,通过将 MODE 引脚连接至 SGND,可启用非连续导通模式(DCM),相比连续导通模式(CCM)可获得更高的效率。TRACK/SS 引脚用于电源跟踪与软启动编程。
模块内部集成了一个温度二极管,用于监测模块温度。