
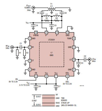
图 7 所示的中频(IF)放大器采用差分开集电极输出(IF+ 与 IF-),并提供一个用于调整内部偏置的引脚 IFBIAS。IF 输出端必须通过供电电压 Vcc 进行偏置,Vcc 经匹配电感 L1、L2 引入;也可通过变压器中心抽头供电。每个 IF 输出引脚约吸收 67 mA 直流电流(两路共 134 mA)。为获得最佳性能,L1、L2 建议选用高 Q 值绕线片式电感;若成本受限,可改用多层片式电感,性能会略有下降。

图1

图2
单端最佳性能
为了获得最优单端性能,差分 IF 输出需经外部 IF 变压器或分立 IF 巴伦电路合成。评估板(见图 1 与图 2)采用 4:1 匝比 IF 变压器,同时完成阻抗变换与差分-单端转换。也可省去变压器,直接驱动差分滤波器或差分放大器。


IF 输出阻抗在中频可等效为 950 Ω 电阻与 1.2 pF 电容并联,小信号模型见图 8。表 3 给出了随频率变化的差分 IF 输出阻抗数据,该数据以封装引脚为参考(无外接元件),已包含芯片及封装寄生效。
如有型号采购及选型需求,可直接联系兆亿微波电子元件商城。