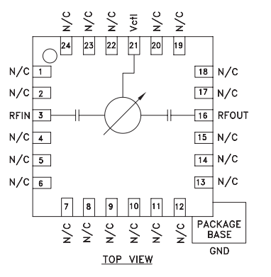
HMC538LP4 和 HMC538LP4E 是模拟移相器,通过 0 至 +5 V 的模拟控制电压进行调节。在 6 GHz 频率下,它们可提供 0–800° 的连续可调相移;在 16 GHz 频率下,可提供 0–450° 的连续可调相移,且插入损耗随相移变化保持恒定。相移量相对于控制电压呈单调变化。控制端口的调制带宽为 50 MHz。得益于低插入损耗和小尺寸封装,该器件适用于多种场景,包括光纤系统和测试设备中的时钟相位调整。HMC538LP4 与 HMC538LP4E 采用无引脚 QFN 表面贴装封装,并提供标准版与 RoHS 合规版两种选择。

具备的特征
无铅供应
宽带:6-15GHz
>600°相移
单正电压控制
QFN无引线SMT封装,16mm2
应用
•光纤
•军事
•测试设备
如有型号采购及选型需求,可直接联系兆亿微波电子元件商城。