AD1954 内置 26 bit DSP(双精度模式下 48 bit),用于插值与音频处理;包含三路过采样多位 Δ-Σ 调制器及模拟输出驱动电路。
芯片还集成参数 RAM,采用“安全上传”机制,可在不中断音频的情况下同时更新滤波器系数与数字去加重滤波器。
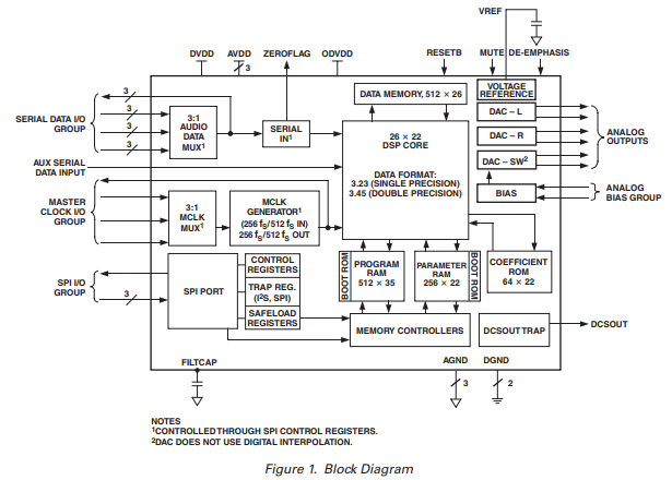
输入选择器最多可切换三路串行数据源及主时钟,特别适合 2.1 声道系统(两颗卫星箱 + 一只低音炮)。

默认程序可对卫星箱与低音炮输出分别进行均衡、压缩/限幅处理。
AD1954 内部含程序 RAM,上电时由片内引导 ROM 自动加载;信号处理参数存放于 256 单元的参数 RAM,同样由上电引导 ROM 初始化。
新参数通过 SPI 端口写入参数 RAM,可实时控制 IIR 均衡滤波器、双段压缩/限幅器、延时值以及立体声展宽算法的各项设置。
AD1954 的 SPI 接口功能完备,支持程序 RAM 与参数 RAM 的全读写操作;另设两个控制寄存器,用于配置串行模式及其它可选功能,并自带握手协议,方便批量上传/下载。
芯片内置 4 路独立数据捕获电路,可在 DSP 算法链任意节点截取信号;捕获结果既可通过独立串行输出引脚送至外部 DAC 或 DSP,也可通过 SPI 寄存器直接读取,从而轻松扩展系统功能。
AD1954 的处理器内核专为复杂压缩/限幅算法设计,含两路独立压缩/限幅器,均具备 RMS 幅度检测、起控/保持/释放时间控制,以及用户自定义压缩曲线。
压缩器还支持“前瞻”功能,可提前抑制过冲,确保输出平稳。
如有型号采购及选型需求,可直接联系兆亿微波电子元件商城。