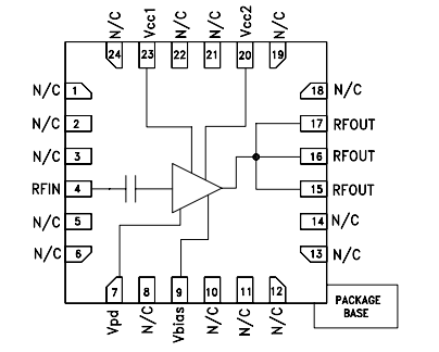
HMC409LP4(E)是一款高效率GaAs InGaP HBT MMIC功率放大器,工作频率范围为3.3至3.8 GHz。 该放大器采用低成本、无铅SMT封装。 它采用最少的外部元件,提供31 dB增益,饱和功率为+32.5 dBm,电源电压为+5V。 功率控制(Vpd)可用于全省电模式或RF输出功率/电流控制。 对于+22 dBm OFDM输出功率(64 QAM, 54 Mbps),HMC409LP4(E)可实现2%的误差矢量幅度(EVM),从而满足WiMAX 802.16线性度要求。

特征
增益:31 dB
40%PAE@+32.5 dBm
2%EVM@Pout=+22 dBm
54Mbps OFDM信号
+46 dBm输出IP3
集成电源控制(Vpd)
单+5V电源
应用
•WiMAX 802.16
•固定无线接入
•无线本地环路
如有型号采购及选型需求,可直接联系兆亿微波电子元件商城。