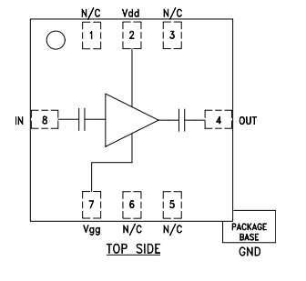
HMC442LM1 是一款覆盖 17.5–24 GHz 的宽带 GaAs PHEMT MMIC 中功率放大器,采用无引线表贴芯片载体封装(SMT LM1)。该封装专为毫米波表贴应用设计,损耗低、输入/输出匹配优异,可完整保留 MMIC 芯片性能。放大器在 +5 V 供电下提供 14 dB 增益、+23 dBm 饱和输出功率,功率附加效率 (PAE) 27%。

芯片内部已集成 DC 隔直电容,50 Ω 全匹配,可直接作为高线性增益级、发射链路驱动器,或用于驱动 HMC 系列表贴混频器的本振 (LO)。相比传统的“芯片+键合线”混合组装,HMC442LM1 无需金线键合,为客户提供一致、可靠的连接界面。
特征
饱和功率:+23 dBm@27%PAE
增益:14 dB
电源电压:+5V
50欧姆匹配输入/输出
HMC442LM1是一款理想的增益块或驱动器放大器,适用于:
•点对点无线电
•点对多点无线电
•VSAT
如有型号采购及选型需求,可直接联系兆亿微波电子元件商城。