AD8222 是一款双通道、高性能仪表放大器,每个放大器仅需一个外部电阻器即可设置 1 至 10,000 的增益。
驱动差分输入 ADC

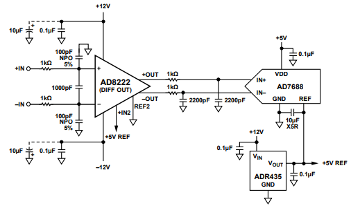
AD8222 可配置为差分输出模式,用于驱动差分模数转换器(ADC)。上图展示了相关设计要点。
RFI 与抗混叠滤波器
在仪表放大器前端,1 kΩ 电阻、1000 pF 电容以及两个 100 pF 电容共同构成滤波网络,具备多重功能:
1 kΩ 与 100 pF 组成共模滤波器,可防止射频(RFI)信号进入放大器;若无此滤波,RFI 会在仪表放大器内被整流。
1 kΩ 电阻同时提供一定的过压保护。
1 kΩ 与 1000 pF 构成 76 kHz 抗混叠滤波器,为 ADC 提供前置滤波。
注意:100 pF 电容应选用 5% 容差、COG/NPO 介质,这类电容在时间和温度变化下匹配度好,可保持系统在整个频段内的高共模抑制比(CMRR)。
第二级抗混叠滤波器
在 AD8222 的每个输出与 ADC 输入之间,各串联 1 kΩ 电阻并并联 2200 pF 电容,形成 72 kHz 低通滤波器,提供额外抗混叠保护。
这四个元件还能改善失真性能:2200 pF 电容为 ADC 的开关电容前端提供瞬时电荷;1 kΩ 电阻则隔离 AD8222,避免其驱动陡峭的电流变化。若需要更低截止频率且对失真敏感,应优先增大电容值而非电阻值。
过压保护
1 kΩ 电阻亦可保护 ADC 免受过压冲击。AD8222 的供电电压范围通常高于 ADC,存在过驱风险。对于 PulSAR 系列转换器(如 AD7688),其输入可承受 130 mA 过驱电流,远高于 AD8222 的短路限制,因此无需额外保护;但其他 ADC 输入较脆弱,可能仍需这些电阻。
基准电压
ADR435 同时为 ADC 和 AD8222 提供基准电压。由于 AD8222 的 REF2 引脚接地,其共模输出电压被精确设定为基准电压的一半,正好满足 ADC 的共模输入要求。
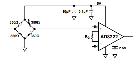
精密应变计测量
AD8222 具有低失调电压和高频共模抑制能力,非常适合交/直流桥式测量。下面图片所示,桥式传感器可直接连接至放大器输入端。

如有型号采购及选型需求,可直接联系兆亿微波电子元件商城。