电路信息
AD7683 是一款低功耗、单电源、16 位逐次逼近型 ADC。芯片最高采样率 100 kSPS,两次转换之间自动掉电。以 10 kSPS 运行时,2.7 V 供电下典型功耗仅 150 µW,极适合电池供电场合。
片内集成采样保持器,无流水线延迟,可多路复用,通道切换零等待。
工作电压 2.7 V ~ 5.5 V,提供 8 引脚 MSOP 或超小 8 引脚 QFN(LFCSP)封装。
AD7683 是 ADS8320/8325 的升级第二来源;如需更高性能,可参考 AD7685。
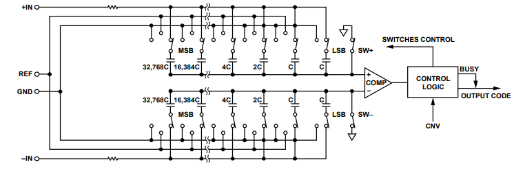
转换器工作原理
AD7683 采用基于电荷再分配 DAC 的逐次逼近架构,下图为其简化原理图。

电容 DAC 由两组完全相同的 16 位二进制加权电容阵列构成,分别接至比较器两个输入端。
采样阶段
比较器输入端通过 SW+、SW- 开关接 GND;所有独立开关接模拟输入 +IN、–IN。
电容阵列此时充当采样电容,对差分输入信号进行采样。
转换阶段
CS 拉低后转换开始:
SW+、SW- 先断开,电容阵列脱离输入并接 GND,采样得到的差分电压被施加到比较器两端,比较器失去平衡。
控制逻辑从 MSB 开始,依次将各电容单元在 GND 与 REF 之间切换,使比较器输入按二进制权重步进变化(VREF/2、VREF/4 … VREF/65 536)。
逐位调整直至比较器重新平衡,转换完成。
芯片返回采样阶段,控制逻辑输出最终 ADC 码值
上述就是关于AD7683模数转换器(ADC)的电路信息及转换器原理分析,如有型号采购及选型需求,可直接联系兆亿微波电子元件商城。