AD7693 是一款快速、低功耗、单电源、高精度 16 位 模数转换器ADC,采用逐次逼近架构。芯片最高采样速率 500 kSPS,两次转换之间自动进入掉电模式;当采样率 1 kSPS 时典型功耗仅 40 μW,极适合电池供电应用。片内集成采样-保持电路,无流水线延迟或latency,特别适用于多路复用通道系统。工作电压 4.5 V–5.5 V,数字接口可接 1.8 V–5 V 任意逻辑系列,10 引脚 MSOP 封装。与 16 位 AD7687/AD7688 及 18 位 AD7690/AD7691 引脚完全兼容。
转换器工作原理

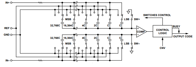
AD7693 是基于电荷再分配 DAC 的逐次逼近 ADC。上图为其简化原理图:电容 DAC 由两组各 16 只二进制加权电容构成,分别接至比较器两个输入端。
电容阵列连接比较器输入的一端通过 SW+、SW- 接地,所有独立开关接至模拟输入端,于是电容阵列充当采样电容,在 IN+ 与 IN- 端获取模拟信号。
转换阶段
当采样结束且 CNV 变高后,转换开始:
先断开 SW+、SW-;
电容阵列脱离输入端并接地,于是采样结束时 IN+ 与 IN- 之间的差分电压被施加到比较器输入,使比较器失衡。
控制逻辑按二进制权重(VREF/2、VREF/4 … VREF/32768)依次将电容阵列各单元在 GND 与 REF 之间切换,从 MSB 开始逐步使比较器重新平衡。
过程结束后返回采样阶段,控制逻辑产生 ADC 输出码及忙标志。
由于片内自带转换时钟,转换过程无需外部串行时钟 SCK。