一、定义
L6920是一款ST意法半导体高效升压控制器,只需三个外部组件即可实现从电池电压到选定输出电压的转换。
启动电压保证为1V,设备运行电压低至0.6V。
内部同步整流器采用120mΩ P沟道MOSFET,为了提高效率,实施了变频控制。
二、具备的特征
0.6至5.5V工作输入电压
1V启动输入电压
内部同步整流器
零关断电流
3.3V和5V固定或可调输出电压(2V至5.2V)
120mΩ 内部有源开关
低电池电压检测
蓄电池反向保护
三、常见的应用
一到三节电池装置
掌上电脑和手持仪器
移动电话.数字无绳电话
寻呼机
全球定位系统
数码相机
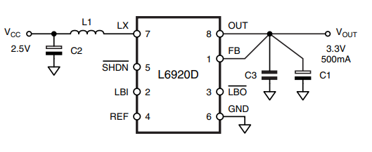
四、应用电路图
