一、概述
AMC3301 是一款精密的隔离放大器,针对基于分流器的电流测量进行了优化。这款完全集成的隔离式直流/直流转换器可实现器件低侧的单电源运行,使该器件成为空间受限应用的独特解决方案。增强型电容式隔离栅已通过 VDE V 0884-11 和 UL1577 认证,并支持高达 1.2kVRMS 的工作电压。
该隔离栅可将系统中以不同共模电压电平运行的各器件隔开,并保护电压较低的器件免受高电压冲击。
AMC3301 的输入针对直接连接低阻抗分流电阻器或其他具有低信号电平的低阻抗电压源的情况进行了优化。出色的直流精度和低温漂支持在 –40°C 至 +125°C 的工业级工作温度范围内进行精确的电流测量。
AMC3301 的集成直流/直流转换器故障检测和诊断输出引脚可简化系统级设计和诊断。
二、具备的特征
• 3.3V 或 5V 单电源,具有集成直流/直流转换器
• ±250mV 输入电压范围,针对使用分流电阻器测量电流进行了优化
• 固定增益:8.2
• 低直流误差:
• 失调电压:±150µV(最大值)
• 温漂:±1µV/°C(最大值)
• 增益误差:±0.2%(最大值)
• 增益误差漂移:±40ppm/°C(最大值)
• 非线性度:±0.04%(最大值)
• 高 CMTI:85kV/µs(最小值)
• 系统级诊断功能
• 符合 CISPR-11 和 CISPR-25 EMI 标准
• 安全相关认证:
• 符合 DIN VDE V 0884-11 标准的 6000VPK 增强型隔离
• 符合 UL1577 标准且长达 1 分钟的 4250VRMS 隔离
• 可在工业级工作温度范围内正常工作:–40°C 至 +125°C
三、常见应用
基于分流器的隔离式电流检测,用于:
– 保护继电器
– 电机驱动器
– 电源
– 光电逆变器
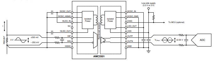
四、典型应用图
