AD7685是一款模数转换器,那么它是如何进行模拟输入的呢?下面就该问题简单了解一下!

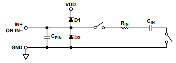
上图显示了 AD7685 输入结构的等效电路。
两个二极管 D1 和 D2 为模拟输入 IN+ 和 IN− 提供 ESD 保护。必须注意确保模拟输入信号不超过电源轨 0.3 V 以上,因为这会导致这些二极管开始正向偏置并导通电流。这些二极管最大可处理 130 mA 的正向偏置电流。
例如,当输入缓冲器(U1)的电源与 VDD 不同时,最终可能出现这些条件。在这种情况下,可以使用具有短路电流限制的输入缓冲器来保护器件。
该模拟输入结构允许对 IN+ 和 IN− 之间的差分信号进行采样。通过使用此差分输入,两个输入共有的小信号被抑制,如下图所示,该图显示了典型的 CMRR 随频率变化。例如,通过使用 IN− 感应远程信号地,可以消除传感器和本地 ADC 地之间的地电位差。

在采集阶段,模拟输入(IN+ 或 IN−)的阻抗可以建模为电容 C_PIN 与 R_IN 和 C_IN 串联连接形成的网络的并联组合。
| 参数 | 典型值 | 说明 |
| C_PIN | — | 主要是引脚电容 |
| R_IN | 3 kΩ | 由一些典型串联电阻和开关导通电阻组成的集总元件 |
| C_IN | 30 pF | 主要是 ADC 采样电容 |
在转换阶段,开关断开时,输入阻抗仅限于 C_PIN。R_IN 和 C_IN 构成一个一阶低通滤波器,减少不良混叠效应并限制噪声。
当驱动电路的源阻抗较低时,AD7685 可以直接驱动。大源阻抗会显著影响交流性能,特别是 THD。直流性能对输入阻抗的敏感性较低。
最大源阻抗取决于可容忍的 THD 量。THD 随源阻抗和最大输入频率的函数而恶化,如下图所示。
