OP400 在所有增益下都具有固有稳定性,能够驱动大容性负载而不产生振荡。尽管如此,仍强烈建议进行良好的电源去耦。适当的电源去耦可减少电源线噪声引起的问题,并改善 OP400 的有源负载驱动能力。
通过将未使用放大器的输入端连接到 V-,可以降低总电源电流。这将关闭放大器,降低总电源电流。
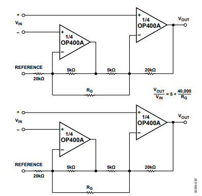
双通道低功耗仪表放大器

上图展示了一款每通道功耗低于 33 mW 的双通道仪表放大器。该仪表放大器的线性度在增益为 5 至 200 时超过 16 位,在增益为 200 至 1000 时优于 14 位。共模抑制比(CMRR)在增益 G = 1000 时高于 115 dB。失调电压漂移在军用温度范围内典型值为 0.4 μV/°C,可与最佳单片仪表放大器相媲美。低功耗仪表放大器的带宽是增益的函数,如下图所示。

输出信号相对于参考输入端指定,参考输入端通常连接到模拟地。如果需要,参考输入端可将输出偏移 -10 V 至 +10 V。