混频器输出至中频 DVGA 接口
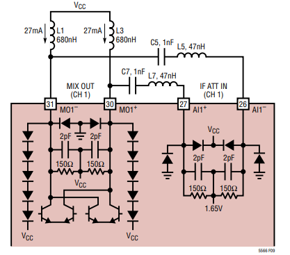
LTC5566混频器的 300Ω 差分输出阻抗与 IF DVGA 的 300Ω 差分输入阻抗相匹配,即使在单片实现导致的正常工艺变化范围内也是如此。这确保了在整个 IF 衰减范围内具有最小且可重复的微分非线性(DNL)和积分非线性(INL)。此外,混频器输出与 DVGA 输入均集成了匹配电容,从而简化了在混频器与 DVGA 之间实现低通滤波器的设计。该滤波器可在信号进入 DVGA 之前衰减不需要的高频混频产物和本振泄漏。

上图显示了通道 1 的接口简化原理图(通道 2 结构相同,未示出)。L5 和 L7 将混频器输出连接至 DVGA 输入,同时构成一个 650MHz、三阶、0.2dB 纹波的切比雪夫低通滤波器。L1 和 L3 为混频器提供直流偏置电流,C5 和 C7 为直流隔直电容。

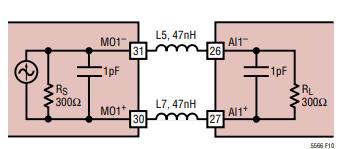
上图展示了该低通滤波器的等效交流原理图,其中混频器输出与 DVGA 输入被建模为 300Ω 电阻并联 1pF 电容。在此 schematic 中,混频器供电扼流圈及串联直流隔直电容已被忽略。

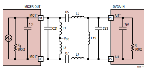
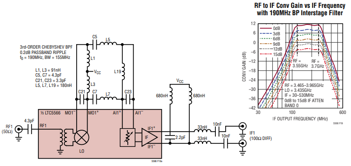
也可在混频器与 DVGA 之间实现带通滤波器。上图展示了一个示例:通过改变无源元件值并增加 C21、C23 和 L19,可实现一个三阶带通滤波器。最后这张图片则显示了使用该带通拓扑时测得的变频增益随中频输出频率的变化曲线。
