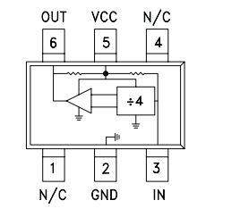
HMC433(E) 是一款低噪声 ÷4 静态分频器,采用 InGaP/GaAs HBT 技术制造,封装于超小型表面贴装 SOT26 塑料封装中。

该器件工作频率范围从直流(输入为方波)至 8 GHz,仅需单一 +3 V 直流电源供电。其单端输入与输出设计有助于减少系统元件数量和成本。在 100 kHz 偏移处,该器件具有低至 -150 dBc/Hz 的附加单边带(SSB)相位噪声,有助于用户维持良好的系统噪声性能。
具备的特征
超低SSB相位噪声:-150 dBc/Hz
单端I/O
输出功率:-2至-3.5 dBm
单直流电源:+3V@53 mA
超小型封装:SOT26
常见应用
•UNII、点对点和甚小孔径终端无线电
•802.11a和HiperLAN无线局域网
•光纤
•蜂窝/3G基础设施